Карта сайта
+7 (925) 517 47 84 +7 (495) 710-30-44

Буксирный тягач QDD25W

Эта модель представляет собой готовое решение для работы, все необходимые
элементы включены в стандартную комплектацию
Буксирный тягач QDD25W
Буксирный тягач QDD25W
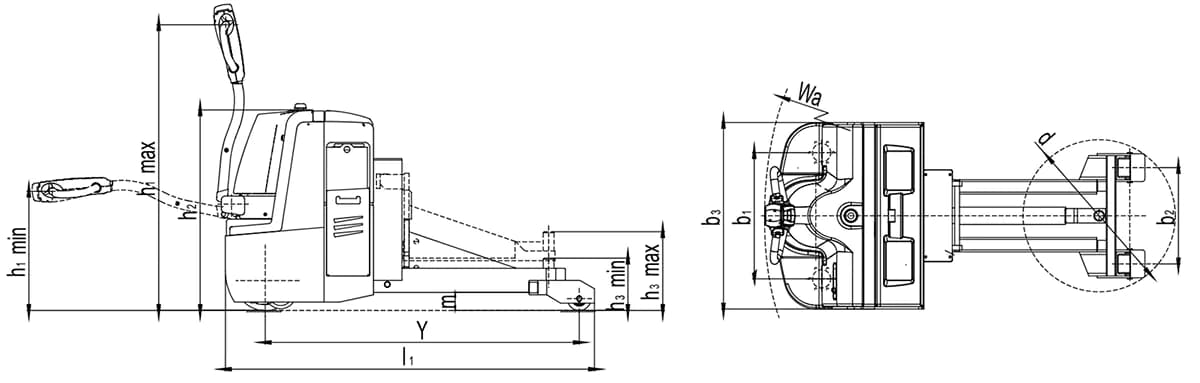
Технические характеристики
Грузоподъемность (кг) 2500
Привод Электрический
Модель QDD25W
Тип вождения аккумулятор
Тип работы пешеход
Грузоподъемность Кг 2500
Максимум. номинальное тяговое усилие N 750
Размер передних шин мм 250 х70
Размер задней шины мм 98 x82
Колеса, номер передних задних (x = ведущие колеса) 1X 2/2
Высота румпеля в положении привода мин. / Макс. h1 (мм) 495/1185
Полная длина l1 (мм) 1532
Общая ширина b3 (мм) 775
Общая высота h2 (мм) 833
Тяговое усилие мин. / Макс. Высота h3 (мм) 217/327
Радиус поворота Wa (мм) 1515
Минимальный диаметр поворота d (мм) 632
Скорость движения с грузом / без груза Км / ч 4,5 / 5
Напряжение аккумулятора / номинальная емкость В / Ач 24/165
Вес батареи кг 175
Служебный вес (с аккумулятором) кг 580
1 кг = 2,205 фунта 1 дюйм = 25,40 мм
Разработан для универсального применения, с прочным и надежным решением. Обеспечьте транспорт для руководителей, руководителей, сотрудников службы безопасности и других работников, чья работа заставляет их оставаться в пути . Буксирный тягач QDD25W