Карта сайта
+7 (925) 517 47 84 +7 (495) 710-30-44

IM R 15

Эта модель представляет собой готовое решение для работы, все необходимые
элементы включены в стандартную комплектацию
Преимущества:
  1. Гидравлическая система изменения ширины ходовой части. Техническое решение увеличивает устойчивость подъемника и тягу при движении по пересеченной местности.
  2. Переносная панель управления обеспечивает возможность контроля работы IM R 15 прямо с платформы.
  3. Пропорциональное электрогидравлическое управление – для безопасности оператора.
  4. Максимальный угол разворота составляет 360 градусов. Отличная маневренность IM R 15 сохраняется при любых работах.
  5. Вращение корзины – ± 90 градусов. Удобное рабочее положение оператора в любых условиях работы.
  6. Компактные размеры и маленькая опорная поверхность позволяют использовать технику на небольших строительных площадках.
  7. Двигательный отсек изолирован специальными покрытиями для безопасной эксплуатации.
  8. Современный дизайн, полностью закрытый корпус и алюминиевая платформа.
IM R 15
IM R 15
IM R 15
IM R 15
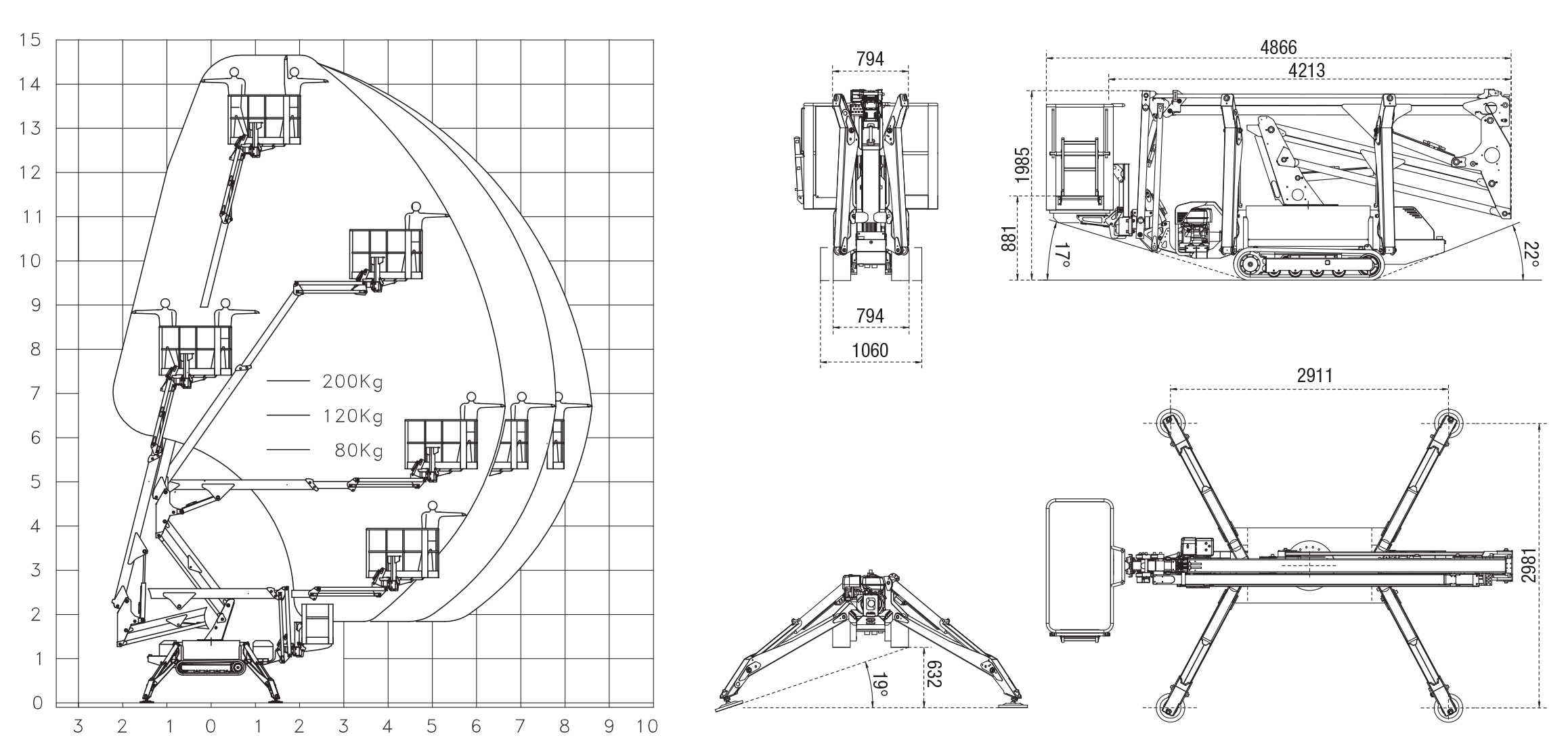
Технические характеристики
А (м) Высота пола платформы 13
В (м) Рабочая высота 15
D (м) Высота подъемника в сложенном положении 1,98
Общая масса (кг) 1980
Длина подъемника (м) 4,86
Ширина подъемника (м) 1,06
Грузоподъемность (кг) 200
Скорость в сложенном положении (км/ч) 0–2
Преодолеваемый угол наклона (%) 25
Бренд 73
Презентация 1161
Размер корзины (м) 1.40x0.70x1.10
Поворот корзины (°) 180
Поворот стрелы (°) 360
Тип подъемника гусеничный
Вылет стрелы/грузоподъемность (м/кг) 8.70/80-7.80/120-6.70/200
Мощность бензинового двигателя (кВт) 8
Размеры опорной поверхности при установленных стабилизаторах (м) 2,98x2,91
Тип питания гибрид (бензин+220В)
Стандартная комплектация
  1. Аварийный ручной насос
  2. Клапан удержания нагрузки
  3. Счетчик рабочих циклов
  4. Инерционное устройство
  5. Датчик нагрузки
  6. Гидравлическая стрела
  7. Резиновые гусеницы
  8. Регулируемая ширина ходовой части
  9. Электронасос (230 В, 16 А), предназначенный для эксплуатации в помещении
  10. Система подачи воздуха/воды на платформу
  11. Электрическая розетка (230 В, 16 А) в корзине
Дополнительная комплектация Система радиоуправления Система автоматического выравнивания опор Аварийный электрический насос (12 В) Гусеницы из немаркой резины Крупные подкладки под опоры (350 мм)